- Matiere
- Pression
- Taille
- Utilisation
Pompes et accessoires pour nettoyeur haute-pression de la marque INTERPUMP
Découvrez la gamme de pompes haute pression INTERPUMP : Robustesse et précision à votre service 🌊💪
Bienvenue dans l'univers INTERPUMP, le leader mondial des pompes haute pression et très haute pression à piston. Avec une gamme étendue capable de couvrir des pressions de 50 à 3000 Bar, INTERPUMP est au cœur de nombreuses applications industrielles, du nettoyage haute pression au dessalement de l'eau par osmose inversée, en passant par des usages spécifiques dans presque tous les secteurs d'activités.
Pourquoi choisir INTERPUMP ? 🌟
- Robustesse Inégalée : Les pompes INTERPUMP sont conçues pour résister aux conditions les plus exigeantes, garantissant une durabilité et une fiabilité exceptionnelles.
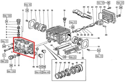
- Maintenance Simplifiée : Bien que robustes, ces pompes requièrent un entretien annuel pour maintenir leur performance optimale. Cela vous assure non seulement une longévité accrue mais également une efficacité constante de votre équipement.
Réparation et entretien faciles 🛠️
Nous comprenons l'importance d'un entretien régulier pour garantir la longévité et la performance de votre pompe. C'est pourquoi nous vous proposons tout le nécessaire pour réparer et entretenir vos pompes INTERPUMP :
- Kits Joints : Pour assurer l'étanchéité parfaite de votre pompe.
- Pistons en Céramique : Pour une résistance et une durabilité accrues face à l'usure.
- Clapets Métalliques : Pour garantir une fermeture et une ouverture précises dans toutes les conditions d'utilisation.
Un large choix de pompes neuves INTERPUMP 🌈
À la recherche d'une solution prête à l'emploi ou sur mesure ? Explorez notre vaste sélection de pompes neuves INTERPUMP. Que ce soit pour un échange standard ou pour une configuration personnalisée adaptée à vos besoins spécifiques, nous avons la pompe qu'il vous faut.
Applications versatiles 🎯
Les pompes INTERPUMP sont parfaites pour une multitude d'applications, offrant des solutions adaptées pour :
- Nettoyeurs Haute Pression : Pour un nettoyage efficace et en profondeur.
- Dessalement de l'Eau : Grâce à l'osmose inversée, obtenez de l'eau potable à partir de l'eau de mer.
- Applications Industrielles : Adaptées à divers secteurs pour des besoins très spécifiques en termes de pression et de performance.
Prêt à booster votre productivité avec INTERPUMP ? 🚀
Ne laissez pas la performance de vos équipements au hasard. Choisissez la qualité, la robustesse et la fiabilité des pompes INTERPUMP pour vos besoins en haute pression.
🛒 Visitez notre page dès maintenant pour trouver la pompe INTERPUMP idéale ou les pièces nécessaires à l'entretien et à la réparation de votre équipement existant. Faites le choix de l'excellence avec INTERPUMP
Regelav, des solutions lavage conçues pour durer
- Stock important de pièces 
 détachées
- Réparation nettoyeurs 
 toute marque
- Conseil sur le choix 
 des matériels
- Conception et fabrication 
 personnalisées de nettoyeurs
 haute pression
- Fabrication et installation 
 du matériel
- Formation du personnel 


 
  
  
  
  
  
  
  
  
  
  
  
  
  
  
 